$14.95

Download Now
Sold by belgreen on Tradebit
The world's largest download marketplace
3,308,286 satisfied buyers
Shopper Award

Jungheinrich Pedestrian Order Picker Type ECP 100 , ECP 100E, ECP 160E Workshop Service Manual

Original Illustrated Factory Workshop Service Manual for Jungheinrich Pedestrian Pallet Truck Type ECP.

Original factory manuals for Jungheinrich Forklift Trucks, contains high quality images, circuit diagrams and instructions to help you to operate and repair your truck. All Manuals Printable and contains Searchable Text

Covered models:
ECP 100 (07.1995-04.1998)
ECP 100E (07.1995-04.1998)
ECP 160E (07.1995-04.1998)

Language: English
Format: ZIP, Contained Set of PDF Manuals
1. Service manual, PDF, 128 Pages
Contents:
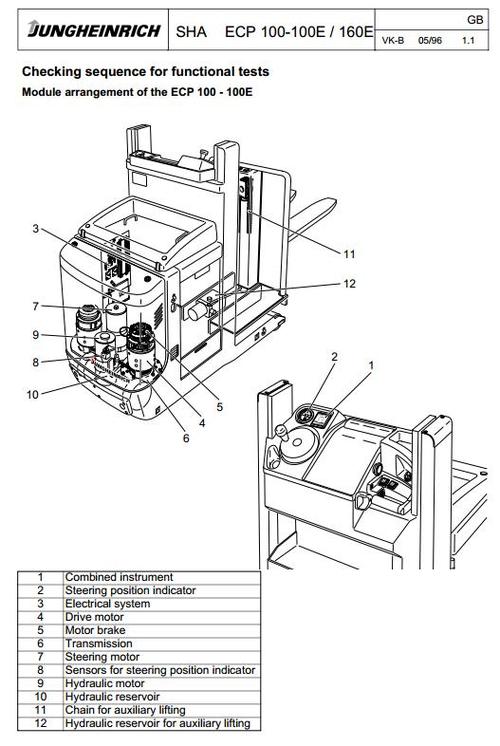
Checking sequence for functional tests
Module arrangement of the ECP 1 00-100E
Module arrangement of the ECP 1 00-160E
Setting and test values
Technical description
ZAPI MOS B1 drive current control system,
150 A + 150 A, 24V
- Terminal assignment
- Parameters of the drive current control system
- Adapter cable for connecting LISA and the
ECP contactor rack
- State-dependent speeds of the ECP 100-160E
- Alarm messages I LED fault displays
Electrical steering system ZAPI
- Function principle for the external mode and wiring diagram
- Jumper settings
- Setting of steering booster sensor
-Alarm messages / LED fault displays
Drives
Steering system
Setting the potentiometers for the steering position display
Brakes
- Emergency operation
Load-bearing wheel (right-hand)
Drive wheels
Hydraulic system
Basic circuit diagrams
ECP index of electrical wiring diagrams
Operating diagram AB5JA50D 15.09.95 (ECP 100 - 100E / 160E contactor rack)
Circuit diagram AB5JA1CE 13.03.96 1.2.2 (ECP 100 - 100E)
Circuit diagram AC5JA1 DE 11.03.96 2.2.2 (ECP 100 - 1 00E)
Circuit diagram AC5JA1AA 12.03.96 1.2 (ECP 100 -160E)
Circuit diagram AC5JA1BA 28.02.96 2.2 (ECP 100- 160E)
Wiring diagram; hydraulic system of the ECP 100 - 100E/160E LG
Wiring diagram; hydraulic system of the ECP 100- 160E/160E ZG
ECP 100 - 100E operating instructions
ECP 100 - 160E operating instructions
Service manual items
Instructions for the prevention of functional failures and damage to equipment when performing cleaning operations on fork-lift trucks
List of lubricants for HJC fork-lift trucks Instructions for the prevention of accidents and damage to equipment when performing servicing, checking and repair operations on fork-lift trucks equipped with electronic components
Battery discharge monitor (EW) / operating hour meter (BW) with LCD
Electronic controller
Measurement of the minimum braking value and of the stopping distances
Two-stage magnetic valve, Lenze type
Lowering brakes and line break safety devices
LISA - basic operation (applicable from software version 3.1 onwards)
File Data

This file is sold by belgreen, an independent seller on Tradebit.

Our Reviews
© Tradebit 2004-2026
All files are property of their respective owners
Questions about this file? Contact belgreen
DMCA/Copyright or marketplace issues? Contact Tradebit