$54.00

Download Now
Sold by bg-store on Tradebit
The world's largest download marketplace
3,307,026 satisfied buyers
Shopper Award

Deer Tractors 6215, 6415, 6615, 6715 Service Repair Technical Manual (tm4649)

Illustrated Factory Repair Manual for John Deere 2WD or MFWD Tractors 6215, 6415, 6615, 6715

This manual contains high quality images, instructions to help you to operate, maintenance, diagnostic, and repair your truck. This document is printable, without restrictions, contains searchable text, bookmarks, crosslinks for easy navigation.

This is repair only manual, Diagnostic Manual with electrical wiring diagrams are sold separate.

Language: English
Format: PDF, 1698 pages

Covered models:
  6215
  6415
  6615
  6715

Contents:
   Foreword
   Version Date
   Safety
      Safety Measures
   General Information
      Specifications
      Tune-Up
      Predelivery Inspection
   Engine
      Engine Removal and Installation
   Fuel, Air Intake, Cooling and Exhaust Systems
      Speed Control Linkage
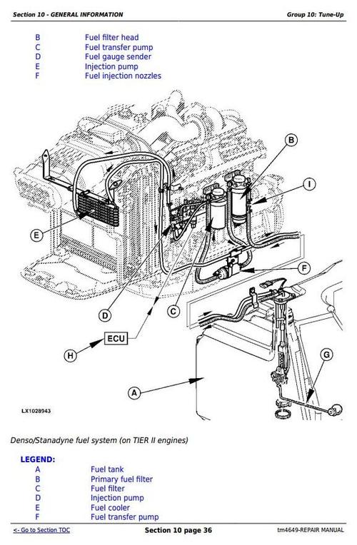
      Fuel System
      Air Intake System
      Cooling System
      Cold-Weather Starting Aids
      Exhaust System
   Electrical System
      Connectors
      Wiring Harnesses
      Charging Circuit
      Starting Motor Circuit
      Fuses, Relays and Switches
      Monitoring Systems
      Electrical Components
   SyncroPlus Transmission
      Removal and Installation of Transmission Components
      Transmission Shift Controls
      Perma Clutch II Module
      Gear Transmission
   Power Reverser
      Removal and Installation of Power Reverser Module
      Transmission Shift Controls
      Power Reverser Module
      Gear Transmission
   PowrQuad Transmission
      Removal and Installation of Components
      Transmission Shift Controls
      PowrQuad Module
      Creeper Transmission
      Range Transmission
   Drive System
      Removal and Installation of Components
      U-Jointed Shafts and Torsion Damper
      Front-Wheel Drive Clutch
      Differential
      Hydraulic Pump Drive
      Final Drives
      Rear PTO
      Front PTO
      Front Implement Drive
   Steering and Brakes
      Hydrostatic Steering
      Steering Cylinders
      Brake Valve
      Rear Brakes
   Hydraulic System
      Controls
      Hydraulic Pump
      Valves
      Rockshaft
      Selective Control Valves and Couplers
      Independent Control Valve
   Misellaneous
      Removal and Installation of Components
      Main Frame
      Front Axle
      Front and Rear Wheels
      Trailer Mounting and Swinging Drawbar
   Operators Cab
      Removal and Installation of Components
      Controls and Instruments
      Air-Conditioning System
      Heating System
      Seats
      Operators Cab
   Special Tools
      Special Tools (Dealer-Fabricated)
      Special Tools (available from the dealer)
File Data

This file is sold by bg-store, an independent seller on Tradebit.

Our Reviews
© Tradebit 2004-2026
All files are property of their respective owners
Questions about this file? Contact bg-store
DMCA/Copyright or marketplace issues? Contact Tradebit