$59.00

Download Now
Sold by bg-store on Tradebit
The world's largest download marketplace
3,308,366 satisfied buyers
Shopper Award

Deer 7430 & 7530 Premium (European Edition) Tractors Service Repair Manual (TM8042)

Illustrated Factory Repair Manual for John Deere 2WD or MFWD European Tractors 7430 Premium & 7530 Premium

This manual contains 3D animation video, high quality images, instructions to help you to troubleshoot, and repair your truck. This document is printable, without restrictions, contains searchable text, bookmarks, crosslinks for easy navigation.

This is repair only manual, Diagnostic Manual with electrical wiring diagrams are sold separate.


Language: English
Format: ZIP, contained:
   PDF Manual, 2124 pages
   VIDEO folder

To view 3D animation you need to unpack PDF files and VIDEO folder in same folder on your harddrive. Also you need installed CATIA Composer Player, link to installer is included into PDF.

Covered models (European):
  7430 Premium
  7530 Premium

Contents:

   Foreword
   Safety
      Safety Measures
   General Information
      Specifications
      Tests and Adjustments
      Predelivery Inspection
   Engine
      Removal and Installation of Components
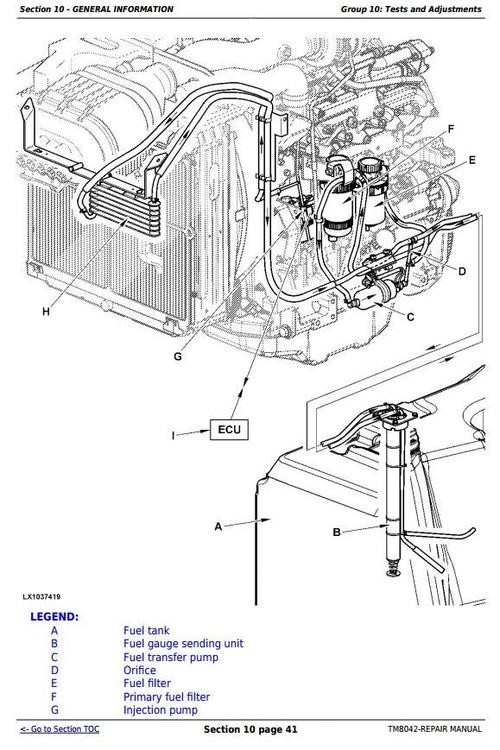
   Fuel, Air Intake, Cooling and Exhaust System
      Removal and Installation of Components
      Speed Control
      Fuel System
      Air Intake System
      Cooling System
      Cold-Weather Starting Aids
      Exhaust System
   Electrical System
      Connector Information
      Charging Circuit
      Starting Circuit
      Electrical Components
   Electronic Control Units
      Removal and Installation of Electronic Control Units
      Removal and Installation of Terminating Resistors
   AutoPowr/IVT Transmission
      Removal and Installation of AutoPowr/IVT Transmission
      Transmission Shift Units
      Input Housing 2.0
      Output Housing 2.0
      Differential Drive Shaft Assembly
   PowrQuad Transmission
      Removal and Installation of Components
      Transmission Shift Unit
      PowrQuad Module
      Range Transmission
   Drive Train (without Transmission)
      Removal and Installation of Components
      U.J. Shaft and Torsion Damper
      Front-Wheel Drive Clutch
      Differential
      Hydraulic Pump Drive
      Final Drives
      Rear PTO
      Front Implement Drive
   Steering and Brakes
      Hydrostatic Steering
      Brake Valve
      Rear Brakes
      Handbrake
      Hydraulic Trailer Brake
      Air-Brake System
      AutoTrac
   Hydraulic System
      Operator Controls
      Oil Filter, Charge Pump and Hydraulic Pump
      Valves
      Hitch
      Selective Control Valves and Couplers
      Independent Control Valves (ICVs)
   Miscellaneous
      Removal and Installation of Components
      Main Frame
      Front Wheels, Rear Wheels and Fenders
      Trailer Mounting and Swinging Drawbar
      Triple Link Suspension (TLS) of Front-Wheel Drive Axle
      Triple Link Suspension (TLS) of Front-Wheel Drive Axle - 3D Animation
      Hitch, Pick-Up
   Operators Cab
      Removal and Installation of Components
      Controls and Instruments
      Air Conditioning System
      ClimaTrak
      Heating System
      Seats
      Operators Cab
      Cab Suspension
   Special Tools
      Special Tools (Dealer-Fabricated)
      Special Tools (Available as Spare Parts)
File Data

This file is sold by bg-store, an independent seller on Tradebit.

Our Reviews
© Tradebit 2004-2026
All files are property of their respective owners
Questions about this file? Contact bg-store
DMCA/Copyright or marketplace issues? Contact Tradebit