$49.00

Download Now
Sold by bg-store on Tradebit
The world's largest download marketplace
3,307,108 satisfied buyers
Shopper Award

Deer 7425, 7525, 6140J, 6155J, 6155JH Tractors Diagnosis and Tests Service Manual (TM605919)

Illustrated Factory Diagnosis and Tests Service Manual for John Deere Tractors 7425, 7525, 6140J, 6155J, 6155JH (Operation & Test)

This manual contains high quality images, circuit diagrams, diagnostic procedures to help you to diagnostic, troubleshoot and repair your truck. This document is printable, without restrictions, contains searchable text, bookmarks, crosslinks for easy navigation.

Language: English
Format: PDF, 987 pages

Covered models:
  6140J
  6155J
  6155JH
  7525
  7425

Contents:

   Foreword
   Safety
      Safety Precautions
      General References
   Diagnostic Trouble Codes
      BCU Diagnostic Trouble Codes
   Observable Symptoms
      Electrical System
      Transmission
      Drive Systems
      Steering And Brakes
      Hydraulic System
   Engine
      Function Test
      Tests and Adjustments
   Fuel, Air Intake and Cooling Systems
      Tests and Adjustments
      Descriptions
   Electrical System
      Sub-System Diagnostics (Cab Tractor)
      Sub-System Diagnostics (Open Operator Station Tractor)
      Component Tests
      Functional schematics
      Wiring Harnesses and Connectors
   Electronic Control Units
      Operation and General Information on Diagnostics
      Data BUS Systems, Operation
      BCU - Basic Control Unit
   Forward/Reverse Module
      Function Test
      Tests and Adjustments
      Operation
   PowrQuad Transmissions
      Preliminary Tests
      Function Test
      Tests and Adjustments
      Operation
   Drive Systems
      Function Tests
      Tests and Adjustments
      Operation
   Steering and Brakes
      Function Test
      Tests and Adjustments
      Operation
   Hydraulic System
      Function Tests
      Tests and Adjustments
      Operation
      Oil Filter, Charge Pump and Hydraulic Pump
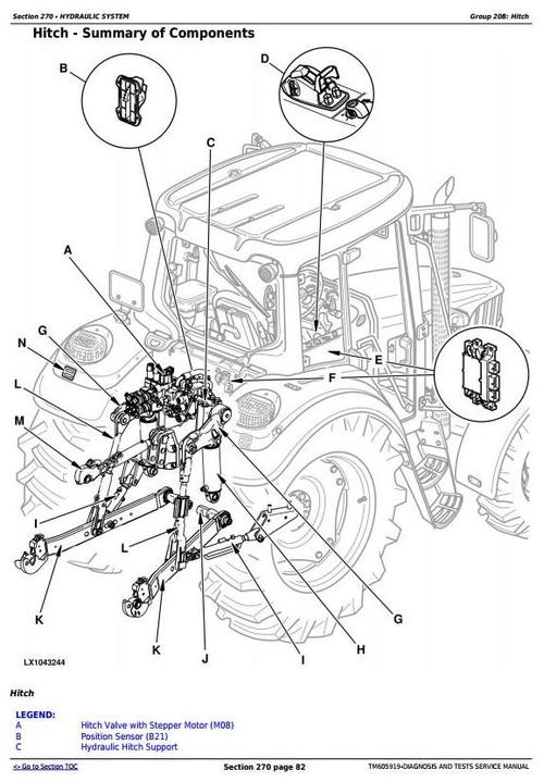
      Hitch
      Selective Control Valves (SCV)
      Hydraulic Block
   Operators Cab
      Tests and Adjustments
      Operation
   Special Tools (Dealer-Fabricated)
      Special Tools (Dealer-Fabricated)
      Special Tools (Available as Spare Parts)
File Data

This file is sold by bg-store, an independent seller on Tradebit.

Our Reviews
© Tradebit 2004-2026
All files are property of their respective owners
Questions about this file? Contact bg-store
DMCA/Copyright or marketplace issues? Contact Tradebit