$54.00

Download Now
Sold by bg-store on Tradebit
The world's largest download marketplace
3,308,286 satisfied buyers
Shopper Award

Deer 470GLC Excavator Troubleshooting, Operation, Test Service Manual (TM13173X19, TM13180X19)

Illustrated Factory for John Deere Excavator 470GLC Troubleshooting manual and Operational Principle Manual

This manual contains high quality images, diagrams, instructions to help you to operate, maintenance, diagnostic, and repair your truck. This document is printable, without restrictions, contains searchable text, bookmarks, crosslinks for easy navigation.

Language: English
Format: ZIP, contained 2 PDF files:
1. Operational Principle Manual (TM13173X19), PDF, 367 pages
2. Troubleshooting Manual (TM13180X19), PDF, 395 pages

Covered models:
  470GLC (PIN: 1FF470GX__C047001-)

Contents TM13173X19:
   To The Reader
   Additional References
   Manual Composition
   Page Number
   Safety Alert Symbol and Headline Notations
   Units Used
   Symbol and Abbreviation
   General
      Specifications
      Component Layout
      Component Specifications
   System
      Controller
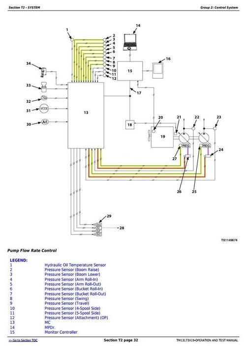
      Control System
      Hydraulic System
      Electrical System
   Component Operation
      Pump Device
      Swing Device
      Control Valve
      Pilot Valve
 
 Contents TM13180X19:
   To The Reader
   Additional References
   Manual Composition
   Page Number
   Safety Alert Symbol and Headline Notations
   Units Used
   Symbol and Abbreviation
   Safety
      Safety
   Operational Performance Test
      Introduction
      Standard
      Engine Test
      Machine Performance Test
      Component Test
      Adjustment
   Troubleshooting
      Diagnosing Procedure
      Monitor
      e-Service
      Component Layout
      Troubleshooting A
      Troubleshooting B
      Air Conditioner
      Travel Device
      Signal Control Valve
      Others (Upperstructure)
      Others (Undercarriage)
File Data

This file is sold by bg-store, an independent seller on Tradebit.

Our Reviews
© Tradebit 2004-2026
All files are property of their respective owners
Questions about this file? Contact bg-store
DMCA/Copyright or marketplace issues? Contact Tradebit