$24.00

Download Now
Sold by bg-store on Tradebit
The world's largest download marketplace
3,308,286 satisfied buyers
Shopper Award

Deer 1165, 1175, 1175 Hydro Combines Diagnosis and Tests Service Manual (TM8202)

Illustrated Factory Diagnosis and Tests Service Manual for John Deere Combines 1165, 1175, 1175 Hydro

This manual contains high quality images, circuit diagrams, diagnostic procedures to help you to diagnostic, troubleshoot and repair your truck. This document is printable, without restrictions, contains searchable text, bookmarks, crosslinks for easy navigation.

This is Diagnostic manual, including electical wiring diagrams, Repair manual are sold separate.

Language: English
Format: PDF, 438 pages

Covered models:
  1165
  1175
  1175 Hydro

Contents:
   Foreword
   References in this manual
   Safety
      Safety Information
   Engine System
      General Information
      Test and Adjustment Procedures
      Engine Diagnostics
      Identification and Location of Components
   Cooling and Air Intake Systems
      General Information
      Test and Adjustment Procedures
      Air Intake System Diagnosis
      Engine Cooling System Diagnosis
      Identification and Location of Components
   Electrical System
      How To Use Diagnostic Information
      Electrical System Schematics
      Instrument Panel
      Fuse Box Diagnosis
      Headlights Diagnosis
      Engine Air Filter Sensor Diagnosis
      Hydraulic Oil Filter Sensor Diagnosis
      Grain Tank Filling Level Sensor Diagnosis
      Hourmeter Diagnosis
      Fuel Level Gauge Diagnosis
      Brake Light Diagnosis
      Multi-Tachometer Diagnosis
      Engine Start-Up Diagnosis
      Engine Oil Pressure Sensor Diagnosis
      Battery Recharging System Diagnosis
      Clearance Lights Diagnosis
      Hydrostatic Oil Temperature Indicator Light Diagnosis
      Coolant Temperature Indicator Light Diagnosis
      Hazard Warning Lights Diagnosis
      Straw Chopper and Straw Walker Plugging Alarm Diagnosis
      Work Lights Diagnosis
      Unloading Auger Lighting System Diagnosis
      Grain Tank Lighting System Diagnosis
      Active Header Control (AHC) Diagnosis 1175 Hydro
      Header Lateral Tilt Diagnosis1175
      Automatic Height Control Diagnosis
      Air Conditioning System Diagnosis
      Left-Hand and Right-Hand Clearance Light and Cab Interior Lighting Diagnosis
      Windshield Wiper Motor Diagnosis
      Connector Data
   Power Train
      Transmission POSI-TORQPOSI-TORQ is a trademark of Deere & Company 1165/1175 POSI-TORQ
      Transmission1175 Hydro
      Clutch1165/1175 POSI-TORQPOSI-TORQ is a trademark of Deere & Company
      Transmission1165/1175POSI-TORQPOSI-TORQ is a trademark of Deere & Company
      Hydrostatic Drive1175 Hydro
      Checking Parts for Wear1175 Hydro
      Hydrostatic System Test1175 Hydro
   Brakes, Steering and Rear Axle
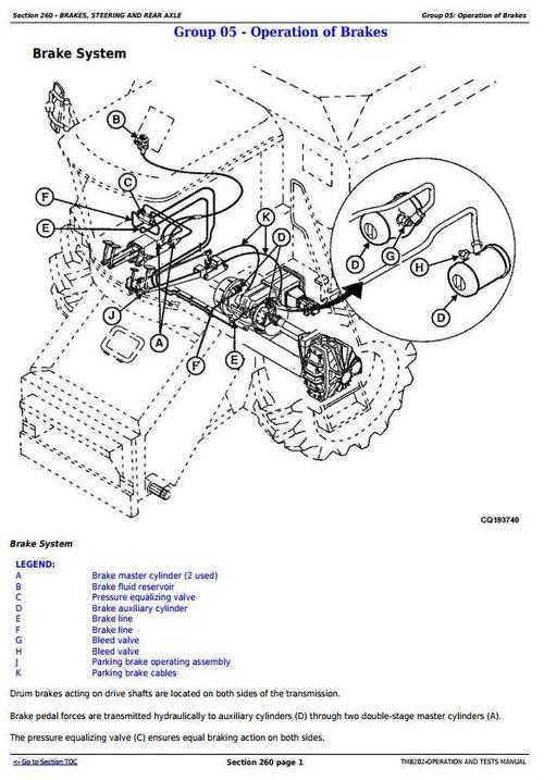
      Operation of Brakes
      Drum Brakes
      Steering System
   Hydraulic System
      General Information
      Hydraulic Valve Block
      Diagrams and Schematics
      Hydraulic Pump Drive
      Parker Hydraulic Valve Block
      Reel Hydraulic Motor
      Hydraulic System Troubleshooting
   Cab
      Operation of Air Conditioning
      Operational Tests
      Air Conditioning System Troubleshooting
      Ventilation System Troubleshooting
File Data

This file is sold by bg-store, an independent seller on Tradebit.

Our Reviews
© Tradebit 2004-2026
All files are property of their respective owners
Questions about this file? Contact bg-store
DMCA/Copyright or marketplace issues? Contact Tradebit