$54.00

Download Now
Sold by bg-store on Tradebit
The world's largest download marketplace
3,307,214 satisfied buyers
Shopper Award

Deer 1450, 1550, 1450CWS, 1450WTS, 1550CWS, 1550WTS Combines Diagnostic and Tests Manual (tm4904)

Illustrated Factory Diagnosis and Tests Service Manual for John Deere Combines Pin Prefix CQ - Brasil - 048751 - XXXXXX Combines and Headers 1450, 1550, 1450 CWS, 1450 WTS, 1550 CWS, 1550 WTS Combines Diagnostic

This manual contains high quality images, circuit diagrams, diagnostic procedures to help you to diagnostic, troubleshoot and repair your truck. This document is printable, without restrictions, contains searchable text, bookmarks, crosslinks for easy navigation.

This is Diagnostic manual, including electical wiring diagrams, Repair manual are sold separate.

Language: English
Format: PDF, 846 pages

Covered models (S.N. from 048751):
  1450
  1550
  1450CWS
  1450WTS
  1550CWS
  1550WTS

Contents:
   Foreword
   References in this manual
   Safety
      Safety Information
   Diagnostics
      AHC-Automatic Head Control
   Electrical System
      General Information
      Electrical System Schematics
      Power Feed / Starter Motor
      Engine Shut Off-1550
      Engine Shut Off-1450
      Electronic Motor - Focus Level 4-CWS/WTS
      Fuse Tester
      Instruments
      Straw Distributor Adjustment-CWS/WTS
      Lighting, Windshield Washer
      Radio, PY - PX
      Alarm Module No. 1 / Shut Off Function
      Warning Module No. 2
      Cigarette Lighter
      Light Function
      Intermittent Light Function
      Intermittent Indicator Lights
      Air Conditioning System
      Outside Mirror Adjustment -CWS/WTS (option)
      Work Lights
      Straw Warning Device
      Brake Lights, Reel Speed Adjustment
      Engaging Threshing / Unloading Auger
      Head / Reverser Engage
      INFO-TRAK Monitor/ Drive Shaft Speed Monitor
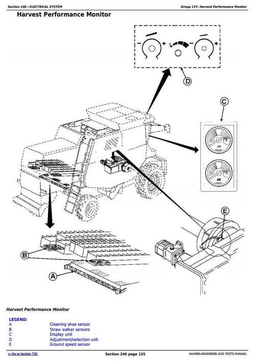
      Harvest Performance Monitor
      Threshing Cylinder, Concave and Fan Adjustment
      Head Control Circuit Board
      Unloading Auger Swing
      Four Wheel Drive-1450/1550 (option)
      Area counter-CWS/WTS
      Gearshift Lock-CWS/WTS
      Reverse Travel Alarm / Cleaning Shoe Lights
      Head Calibration Procedures
      Wire Harnesses
      Connector Data
   Power Train
      Specification
      Checking Parts for Wear
      Testing the Hydrostatic System
      Transmission
   Four Wheel Drive
      Two Speed Four Wheel Drive
   Brakes, Steering and Rear Axle
      Brake System
      Drum Brakes
      Steering System
   Hydraulic System
      General Information
      Hydraulic Schematic
      Reel Hydraulic Motor
      Hydraulic Pump Drive
      Hydraulic Control Valve
      Hydraulic System Troubleshooting
   Cab
      Cab and Operators Seat
      Air Conditioning and Heating
      Ventilation and Heating - Troubleshooting
      Operational Tests and Troubleshooting
      Air Conditioning System Operation
File Data

This file is sold by bg-store, an independent seller on Tradebit.

Our Reviews
© Tradebit 2004-2026
All files are property of their respective owners
Questions about this file? Contact bg-store
DMCA/Copyright or marketplace issues? Contact Tradebit