$44.00

Download Now
Sold by bg-store on Tradebit
The world's largest download marketplace
3,308,286 satisfied buyers
Shopper Award

John Deere 310E Backhoe Loader Service Repair Technical Manual (tm1649)

Illustrated Factory Service Repair Technical Manual for John Deere Backhoe Loader model 310E

This manual contains high quality images, instructions to help you to troubleshoot, and repair your truck. This document is printable, without restrictions, contains searchable text, bookmarks, crosslinks for easy navigation.

This is repair only manual, Diagnostic Manual with electrical wiring diagrams are sold separate.

Language: English
Format: PDF, 796 pages

Covered models:
  310E

Contents:
   Foreword
   HELP!! HELP!! HELP!! HELP!!
   General Information
      Safety Information
      General Specifications
      Torque Values
      Fuels and Lubricants
   Wheels
      Powered or Non-Powered Wheels and Fastenings
   Axles and Suspension Systems
      Input Drive Shafts and U-Joints
      Non-Powered Wheel Axles
      Powered Wheel Axle (MFWD)
      Axle Shaft, Bearings and Reduction Gears
      Dealer Fabricated Tools
   Transmission
      Removal and Installation
      Controls Linkage
      Input Drive Shafts and U-Joint
      Gears, Shafts, Bearings, and Power Shift Clutch
      Hydraulic System
      Dealer Fabricated Tools
   Engine
      Removal and Installation
      Dealer Fabricated Tools
   Engine Auxiliary Systems
      Cold Weather Starting Aid
      Cooling Systems
      Speed Controls
      Intake System
      Exhaust System
      External Fuel Supply System
   Torque Converter
      Turbine, Gears and Shaft
   Steering System
      Hydraulic System
   Service Brakes
      Active Elements
      Hydraulic System
   Park Brake
      Active Elements
   Electrical Systems
      Batteries, Support, and Cables
      Alternator, Regulator and Charging System Wiring
      Lighting System
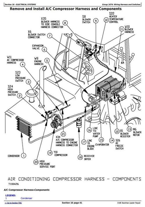
      Wiring Harness and Switches
      System Controls
      Instruments and Indicators
      Motors and Actuators
   Frames, Chassis Or Supporting Structure
      Frame Installation
      Chassis Weights
   Operators Station
      Removal and Installation
      Operator Enclosure
      Seat and Seat Belt
      Heating and Air Conditioning
      Dealer Fabricated Tools
   Sheet Metal and Styling
      Hood and Engine Enclosure
      Miscellaneous Shields
      Grille and Grille Housing
      Fenders
   Safety, Convenience, and Miscellaneous
      Radio
      Horn and Warning Devices
   Main Hydraulic System
      Hydraulic System
   Loader
      Loader
      Bucket
      Control Linkages
      Hydraulic System
   Backhoe
      Bucket
      Control Linkage
      Frames
      Hydraulic System
File Data

This file is sold by bg-store, an independent seller on Tradebit.

Our Reviews
© Tradebit 2004-2026
All files are property of their respective owners
Questions about this file? Contact bg-store
DMCA/Copyright or marketplace issues? Contact Tradebit