$49.00

Download Now
Sold by jd-store on Tradebit
The world's largest download marketplace
3,307,183 satisfied buyers
Shopper Award

BELL B30C Articulated Dump Truck Service Repair Technical Manual (tm1814)

Illustrated Factory Service Repair Technical Manual for BELL Articulated Dump Trucks Modelsl B30C

This manual contains high quality images, instructions to help you to troubleshoot, and repair your truck. This document is printable, without restrictions, contains searchable text, bookmarks, crosslinks for easy navigation.

This is repair only manual, Diagnostic Manual with electrical wiring diagrams are sold separate.

Language: English
Format: PDF, 804 pages

Covered models:
  B30C

Contents:
   Foreword
   HELP!! HELP!! HELP!! HELP!!
   Machine Number Identification
   General Information
      Safety
      General Specifications
      Torque Values
      Fuels and Lubricants
   Wheels
      Powered Wheels and Fastenings
   Axles and Suspension Systems
      Removal and Installation
      Differential or Bevel Drive
      Input Drive Shafts and U-Joints
      Axle Mounting Parts
      Axle Shaft, Bearings, and Reduction Gears
   Transmission
      Removal and Installation
      Input Drive Shafts and U-Joints
      Gears, Shafts, Bearings and Power Shift Clutch
      Hydraulic System
   Engine
      Removal and Installation
      Crankshaft, Main Bearings, and Flywheel
      Camshaft and Timing Gear Train
      Cylinder Block, Liners, Pistons and Rods
      Lubrication System
      Cylinder Head and Valves
      Exhaust System
      Fuel Injection System
      Air Intake Manifold System
      Cooling System
      Thermostats, Housing and Water Piping
   Engine Auxiliary System
      Cold Weather Starting Aids
      Cooling Systems
      Speed Controls and Fuel Shut-Off Linkage
      Intake System
      External Exhaust Systems
      Engine Mounting
      External Fuel Supply Systems
   Dampener Drive
      Elements
   Steering System
      Secondary Steering
      Hydraulic System
   Service Brakes
      Active Elements
      Service Brake Hydraulic System
   Park Brake
      Active Elements
   Electrical System
      Batteries, Support, and Cables
      Alternator, Regulator and Charging System Wiring
      Lighting System
      Wiring Harness and Switches
      System Controls
      Instruments and Indicators
      Motors and Actuators
   Frame and Supporting Structure
      Frame Installation
      Frame Bottom Guards
   Operators Station
      Removal and Installation
      Operator Enclosure
      Seat and Seat Belt
      Steps and Handholds
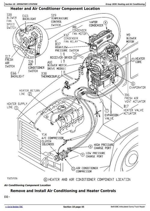
      Heating and Air Conditioning
   Sheet Metal and Styling
      Hood or Engine Enclosure
   Safety and Convenience
      Mirror
      Horn and Warning Devices
   Main Hydraulic System
      Hydraulic System
   Pneumatic Systems
      Pumps and Drives Air Compressor
      Pneumatic Control Valves
      Reservoir, Filter, and Trap
      Pneumatic Cylinders
   Haulage Device
      Frames
      Hydraulic System
   Dealer Fabricated Tools
      Dealer Fabricated Tools
File Data

This file is sold by jd-store, an independent seller on Tradebit.

Our Reviews
© Tradebit 2004-2026
All files are property of their respective owners
Questions about this file? Contact jd-store
DMCA/Copyright or marketplace issues? Contact Tradebit